软化水设备
反渗透设备
EDI超纯水设备
超滤纳滤设备
除铁锰除泥沙除氟除氯
产品项目生产线
消毒杀菌设备
溶药加药装置
变频恒压供水
污水处理设备
水处理配件
除泥沙除杂质
除铁锰除氟除氯
除水垢软化水
直饮水解决方案
去离子超纯水方案
液体提纯方案
饮料酒类及食品行业
油漆涂料颜半行业
煤化气化精细化工
电子半导体行业
公共水处理系统
电力行业用水
养殖种植行业
生物制药行业
冷却循环水应用
再生资源回收
煤矿炼焦及石油行业
常见问答
操作说明
保养手册
行业新闻
公司简介
企业文化
联系我们
在线留言
河南普罗斯顿环保科技有限公司
公司地址:河南郑州荥阳贾峪
联系电话:0371-61875651
公司邮箱:68603852@qq.com
作者: 发布时间:2023-02-18 16:38:47点击:210875
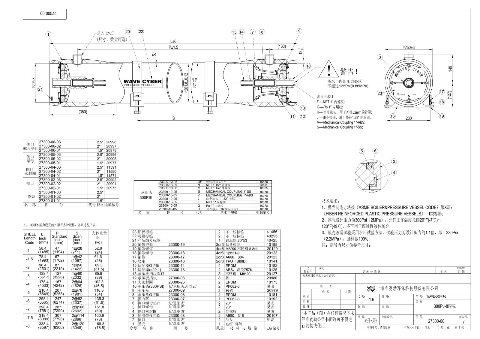
唯赛勃RO膜壳膜元件压力容器图纸安装图
热线电话
188-4886-5816
公司电话
0371-61875651
上班时间
周一到周五